Description
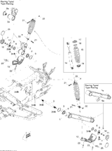
Can-Am LH Swing Arm 2008 Outlander 800 STD 706000496
Delivery & Returns
Free Standard Shipping on Orders in the USA
90-Day Easy Returns with Zero re-stocking fees
