Description
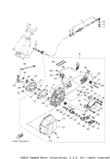
Control Unit 2021 VX DELUXEITH AUDIO (VX1050DW) F4S-68197-00-00
Warranty
100% no hassle money back guarantee!
Delivery & Returns
Free Standard Shipping on Orders in the USA
90-Day Easy Returns with Zero re-stocking fees
