Description
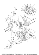
Cover, Pump Gear 2009 AVERUNNER VX1100CHAVERUNNER VX SPORT (VX1100H) 6B6-13327-01-94
Warranty
100% no hassle money back guarantee!
Delivery & Returns
Free Standard Shipping on Orders in the USA
90-Day Easy Returns with Zero re-stocking fees
