Description
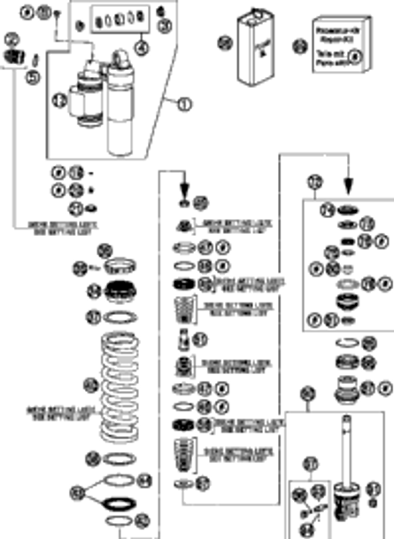
KTM MONOSHOCK UPPER PART CPL. 2013 150 SX 50180944S1
Warranty
100% Money Back Guarantee!
Delivery & Returns
Free Standard Shipping on Orders in the USA
90-Day Easy Returns with Zero re-stocking fees
