Description
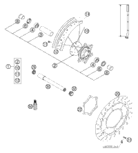
KTM REAR HUB CPL. GOLD 03 2004 200 SX 5481001004496
Warranty
100% Money Back Guarantee!
Delivery & Returns
Free Standard Shipping on Orders in the USA
90-Day Easy Returns with Zero re-stocking fees
