Description
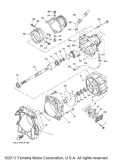
Shaft, Drive 2012 FZR (GX1800L) 6AN-45511-00-00
Warranty
100% no hassle money back guarantee!
Delivery & Returns
Free Standard Shipping on Orders in the USA
90-Day Easy Returns with Zero re-stocking fees
