Description
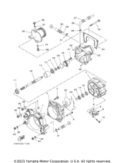
Shaft, Drive 2019 VX CRUISER HO (VC1800U) 6S5-45511-00-00
Warranty
100% no hassle money back guarantee!
Delivery & Returns
Free Standard Shipping on Orders in the USA
90-Day Easy Returns with Zero re-stocking fees
