Description
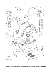
Tank, Fuel 2023 GP1800R SVHO_SVHOI (GP1800CY) F4P-U7711-00-00
Warranty
100% no hassle money back guarantee!
Delivery & Returns
Free Standard Shipping on Orders in the USA
90-Day Easy Returns with Zero re-stocking fees
