Description
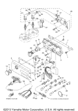
Thermoswitch Assy 2000 XL700 (XL700Y) 62T-82560-01-00
Warranty
100% no hassle money back guarantee!
Delivery & Returns
Free Standard Shipping on Orders in the USA
90-Day Easy Returns with Zero re-stocking fees
