Description
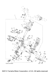
Tube & Bushing Set 2013 AVE RUNNER FX SHO (FA1800M) F1W-6773D-00-00
Warranty
100% no hassle money back guarantee!
Delivery & Returns
Free Standard Shipping on Orders in the USA
90-Day Easy Returns with Zero re-stocking fees
